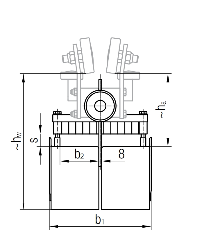
工字钢电缆滑车

产品编号:XE2401/12DLC

车轮主滚筒(镀锌钢/聚氨酯)(Ø80/90)
防抬滚轮(Ø40)
材质载体主体钢
支撑鞍座钢
镀锌五金件
最大电缆负载能力500公斤
耐温性-30摄氏度/70摄氏度
运行速度最大150 m/min
 

Technical drawing - 824
Technical drawing - 824